LMZC-10PU高精度電流互感器 環網柜、充氣柜用互感器 復合合金鐵芯
一、LMZC-10PU 高精度電流互感器簡介
LMZC-10高精密電流互感器采用了磁導率很高、飽和磁感應強度較低的復合合金鐵芯作為導磁材料,具有較高的測量精度和較低的儀表保安系數。適用于電力系統配電線路、變壓器以及用電設備的準確的電能計量、電流測量和保護。用于微機保護(RTU、FTU)時,微機保護系統電流回路的輸入阻抗小于50毫歐。


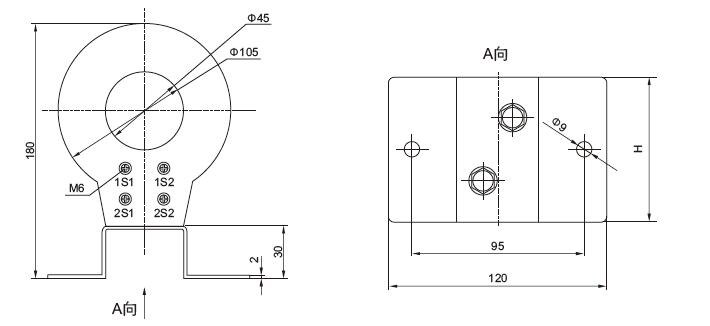
三、LMZC-10PU 充氣柜用電流互感器尺寸

四、 LMZC-10PU 穿心式高精度電流互感器注意事項:
1. 開口電流互感器安裝前必須將其二次與電表(或其他測量裝置)接好,確保互感器二次沒有開路;
2. 將所有接好二次線的開口電流互感器放置現場,等待安裝;
3. 若現場一次母線為電纜,可進行帶電安裝;若一次母線為銅排,則帶電操作對操作者要求熟練程度比較高,且要求做好絕緣防護措施;
4. 安裝互感器時,鐵芯切面處不得有雜質、灰塵等異物落入,以免影響互感器性能。
五、LMZC-10PU環網柜用電流互感器技術參數
額定頻率:50Hz or 60Hz;,
額定二次電流:5A or 1A;
工頻耐壓3kV , 1min;
額定擴大電流:120%In;
執行標準: GB1208-2006《電流互感器》;WNCB001-2008(企業標準)。
P2表示一次極性端,S1、S2表示二次極性端;P2和S2為同名端(減極性)。
六、LMZC-10PU 充氣柜用電流互感器使用條件
環境溫度:-350C-+550C
日平均溫度:≤400C。
海拔高度:≤3000m
大氣條件:大氣中無嚴重污穢
七、高精度電流互感器選型推薦
LMZK-10PU LZCT-10C LMZC-10PU LMZK5-10 LMZK1-10
LMZK2-10 LMZK3-10 LMZK4-10 LMZK5-10 LMZK6-10 LMZK10-10
八、環網柜用電流互感器生產廠家-浙江中拓高壓電器有限公司
浙江中拓高壓電器有限公司是一家主要從事研發、生產銷售110kV及以下戶內外高低壓互感器,鐵芯、絕緣件的專業廠家。公司的10-35kV戶內外互感器,銷遍全國各地,遠銷海外多個國家和地區,深受廣大用戶信賴和好評,10kV真空斷路器用互感器已成為國內柱上開關生產企業最優選擇合作單位。2007年自主研發的主推產品LZW32-10(12)型戶外保護用電流互感器,是目前國內同類型配套互感器主要生產商。